
Etiketten drucken mit dem MPS801
Wiedereinmal können wir Ihnen eine Auswahl aus unserer Tips & Tricks-Kiste anbieten. Für fast jeden Leser dürften einige interessante Programmiertricks dabei sein.
Listings zum Abtippen
1/86 S. 74-78,80-81

Leben und Sterben lassen (Life)
»Life« ist wohl eine der faszinierendsten Simulationen von biologischen Vorgängen auf Computern. Mit »Life« lassen sich evolutionäre Abläufe spielerisch verstehen lernen.
Listings zum Abtippen|Simulation
1/86 S. 69-71
Hardcopy leicht gemacht
Jetzt bekommt Ihr Drucker was zu tun! Wir zeigen Ihnen, wie Sie die Basic-Hardcopy-Routine aus der Ausgabe 9/85 in Maschinensprache umsetzen können. Ein gedrucktes »Foto« des Textbildschirms auf Tastendruck.
Listings zum Abtippen
1/86 S. 64-67,177

Business Grafik für jedermann
Zum Zeichnen von Kreis- und Liniendiagrammen auf dem VC 1520.
Mit den beiden hier vorgestellten Programmen können Sie sehr einfach statistische Kurven in Form eines Kreis- oder Liniendiagramms auf dem Printer/Plotter 1520 zeichnen.
Statistik
Sonderheft 7/85 S. 159-163

Dateien im Griff
Mit dieser Basic-Erweiterung wird die Programmierung von guten Dateiverwaltungen enorm erleichtert. Umfangreiche Befehle zur Datenein- und ausgabe, zur Stringverarbeitung und Floppyunterstützung erleichtern die Arbeit ebenso wie problemloses Hoch- und Runterscrollen eines Listings.
Wettbewerbe
1/86 S. 52,54-58

Wahlhochrechnung
Macht eine Wahlauswertung durch die unterschiedlichsten Grafikdarstellungen informativer.
Da wird selbst die trockenste Bundestagswahl zum interessanten Erlebnis. Aber auch bei Schulwahlen und Clubsitzungen leistet dieses Programm wertvolle Dienste.
Statistik
Sonderheft 7/85 S. 154-158

Ascompiler 64
Ascompiler 64 ist ein sehr schneller Compiler. Es ist das ideale Werkzeug für alle C 64-Besitzer, denen Basic zu langsam und Maschinensprache zu kompliziert ist.
Wettbewerbe
1/86 S. 50,58-64
dBase II - die professionelle Datenbank
Vergessen Sie alle Dateiverwaltungs-Programme für den C 64/C 128, die Sie bis jetzt kennen: Hier ist ein echtes Datenbanksystem mit eigener Programmiersprache zu einem unverschämt günstigen Preis.
128er-Sonderteil|Profi-Software für den C 128
1/86 S. 48-49

Aktien-Manager
Die grafische Dateiverwaltung
Verfolgen Sie auf verschiedenen Grafik-Bildschirmen, wie sich Ihre finanzielle Lage entwickelt. Am Beispiel einer Aktienkursverwaltung wird gezeigt, wie aus trockenen Zahlen interessante Übersichten entstehen.
Statistik
Sonderheft 7/85 S. 144-153
Gestatten: Wordstar
Professionelle Textverarbeitung unter CP/M — der C 128 macht's möglich.
128er-Sonderteil|Profi-Software für den C 128
1/86 S. 47-48

Die neuen Laufwerke 1570/1571
Die C 128-Besitzer haben lange auf ein passendes Diskettenlaufwerk warten müssen. Jetzt sind sogar gleich zwei verschiedene lieferbar. Wir haben beide getestet und verglichen.
128er-Sonderteil|Ausführliche Testberichte:
1/86 S. 44-47
Grafik-Erweiterung für den Aktien-Manager
Zwei Hardcopy-Programme für den »Aktien-Manager« und die »Wahlhochrechnung«.
Diese beiden kurzen Erweiterungen können Sie universell einsetzen. Zusammen mit Aktien-Manager und Wahlhochrechnung sind sie ein gutes Beispiel für eine sinnvolle Computeranwendung.
Statistik
Sonderheft 7/85 S. 143-144

Der C 128D im Test (Ft.: 05/86 87)
Auf der Systems in München konnte man zum ersten Mal den deutschen C 128 D bewundern. Wir entführten ihn zu einem ersten Test vom Commodore-Messestand.
128er-Sonderteil|Ausführliche Testberichte:
1/86 S. 43-44

Vektorrechnung aus dem Effeff
Mathefix löst fast alle Aufgaben aus dem dreidimensionalen Raum.
Mit Mathefix können fast alle Aufgaben aus dem Bereich der Vektorrechnung im dreidimensionalen Raum gelöst werden.
Naturwissenschaft
Sonderheft 7/85 S. 134-142
Auflösung: Ihre Meinung zu Computerspielen
In unserer September-Ausgabe fragten wir Sie nach Ihrer Meinung über Computerspiele. Als Belohnung war Software im Wert von 10000 Mark als Preise ausgesetzt. Die Gewinner stehen nun fest.
Wettbewerbe
1/86 S. 42

Viermal Schachmatt (Teil 2)
In einem spannenden Turnier haben wir vier Schachprogramme für den C 64 gegeneinander antreten lassen. Außerdem ließen wir sie gegen den Weltmeister der Schachcomputer, das deutsche Seriengerät »Mephisto« spielen.
Spiele
1/86 S. 40-41

Numerische Lösungen mathematischer Probleme
Kurze Unterprogramme zum Einbinden in eigene Programme.
Wir stellen Ihnen eine kleine Sammlung von mathematischen Unterprogrammen vor, die in eigenen Programmen benötigt werden, aber schwer zu programmieren sind. In dem ersten Programm (Listing 1) wird näherungsweise die erste Ableitung einer Funktion an einer bestimmten Stelle mit Hilfe des Differenzenquotienten bestimmt. Der Differenzenquotient ist wie folgt definiert:...
Naturwissenschaft
Sonderheft 7/85 S. 132-134

Simulationen — Spiel und Wirklichkeit (Übersicht)
Simulationen sparen Zeit und Geld, sagen die ernsthaften Anwender. Simulationen sind die zeitaufwendigsten und auch teuersten Programme, behaupten die Spieler. Recht haben beide, doch lesen Sie selbst.
Spiele
1/86 S. 37-39

Sound aus dem Monitor (Verstärker)
Sie haben einen Monitor ohne Lautsprecher? Dann können Sie sich mit dieser Bastelanleitung einen kleinen Verstärker bauen, mit dem auch Sie die Sound-Qualitäten des C 64 nutzen können.
Der richtige Monitor|Selbstbau: Besserer Ton, besseres Bild
1/86 S. 34-36

Der C 64 als Meßboy
Das Kapazitäts- und Widerstandsmeßgerät für unter 10 Mark.
Ein kleiner Hardware-Zusatz, der für unter 10 Mark zu haben ist, macht aus Ihrem C64 ein Kapazitäts- und Widerstandsmeßgerät, das einen Vergleich mit professionellen Geräten nicht zu scheuen braucht. Der Meßbereich reicht von einigen pF bis hin zu einigen mF.
Naturwissenschaft
Sonderheft 7/85 S. 128-130
Neueste Listings
- Leben und Sterben lassen (Life)
- Hardcopy leicht gemacht
- Ascompiler 64
- Tips & Tricks zum SMON (inkl. Diskmonitor)
- Tipp-Utility
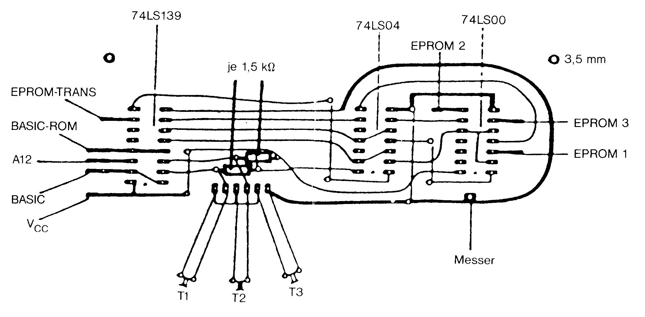
- Der Eprom-Automat (wie man Module macht)
- Seekrieg per Telefon (Schiffe versenken per Modem)
- 80-Zeichen-Grafik für den C 128
- Hyper-Screen (Sprites auf dem Bildschirmrand)
- Der Chemie-Assistent (AdM)
- SMU – Der Maskengenerator (LdM)
- Herzoperation (Hypra Load+Hypra-Ass+Dos5.1+Centronics)
- Reassembler zu Hypra-Ass
- Spieletrainer: Spritekill
- Block Out
- Bilder aus einer anderen Dimension (Apfelmännchen)
- Lyrik-Maschine (AdM)
- Hypra-Platos (LdM)
- Doppelte Grafikauflösung für C 128
- Neues vom SMON