
Das Intellectool
Einen neuen Weg auf dem von Basic-Erweiterungen überschwemmten Markt beschreitet das Intellectool von GES-Computer. Es ist nicht die Basic-Erweiterung, wie man sie bisher kannte, mit den Grafik, Sound- und Diskbefehlen, es ist mehr etwas für den Freak.
Software-Test
9/85 S. 138-139
3D-Darstellung in 19 Zeilen
Das Programm stellt ein frei wählbares, dreidimensionales Objekt auf dem Bildschirm dar, das durch Drücken der Funktionstasten gedreht werden kann. Simons Basic ist allerdings Voraussetzung.
Tips und Tricks
Sonderheft 4/85 S. 126-127

Der Preishamme (Test: StarTexter)
Wer bisher glaubte, daß ein gutes Textprogramm wenigstens 99 Mark kostet, wird durch Star Texter positiv überrascht.
Software-Test
9/85 S. 135-136
Zwei Quickies (Einzeiler)
Kopfstand für Sprites und ein kleiner Zeicheneditor sind zwei Einzeiler, die sich in Programme einbinden lassen.
Tips und Tricks
Sonderheft 4/85 S. 126

Panasonic KX-P1091
Unter dem Namen Panasonic vertreibt Matsushita aus Japan nicht nur Unterhaltungselektronik. Mit dem KX-P1091 stellen die Japaner einen Drucker mit bemerkenswerten Fähigkeiten vor.
Hardware-Test|Test: Spitzendrucker unter 1000 Mark
9/85 S. 134

Riteman C+
Drucker können vielerlei Gestalt haben, aber kaum einer sieht so unkonventionell wie der Ritemann C+ aus.
Hardware-Test|Test: Spitzendrucker unter 1000 Mark
9/85 S. 133
Star SG-10 und Textomat
Haben Sie Probleme, den Star SG-10 mit Secus-Interface an Textomat anzupassen? Verzweifeln Sie nicht, hier kommt die Lösung.
Tips und Tricks
Sonderheft 4/85 S. 125

Star SG 10C
Der SG-10C macht Schluß mit dem Interfaceproblem. Statt der üblichen Centronics-Schnittstelle besitzt er den seriellen IEC-Bus. Unser Test zeigt, welche Vor- und Nachteile damit verbunden sind.
Hardware-Test|Test: Spitzendrucker unter 1000 Mark
9/85 S. 132

Funktionen auf Tastendruck
Mit diesem Beitrag zeigen wir Ihnen, wie auf Tastendruck beliebige Funktionen oder Programme auch während eines Programmlaufs gestartet werden können. Egal ob es sich nun um ein Basic- oder Maschinenprogramm handelt.
Tips und Tricks
Sonderheft 4/85 S. 123-125

Effektives Programmieren (Teil 8): Sortieren mit dem Computer (Teil 5)
Ein ausführlicher Geschwindigkeitsvergleich aller bisher erarbeiteten Sortieralgorithmen soll die Spreu vom Weizen trennen. Und ein weiteres Sortieralgorithmus wird vorgestellt.
Kurse
9/85 S. 124-127,130-131

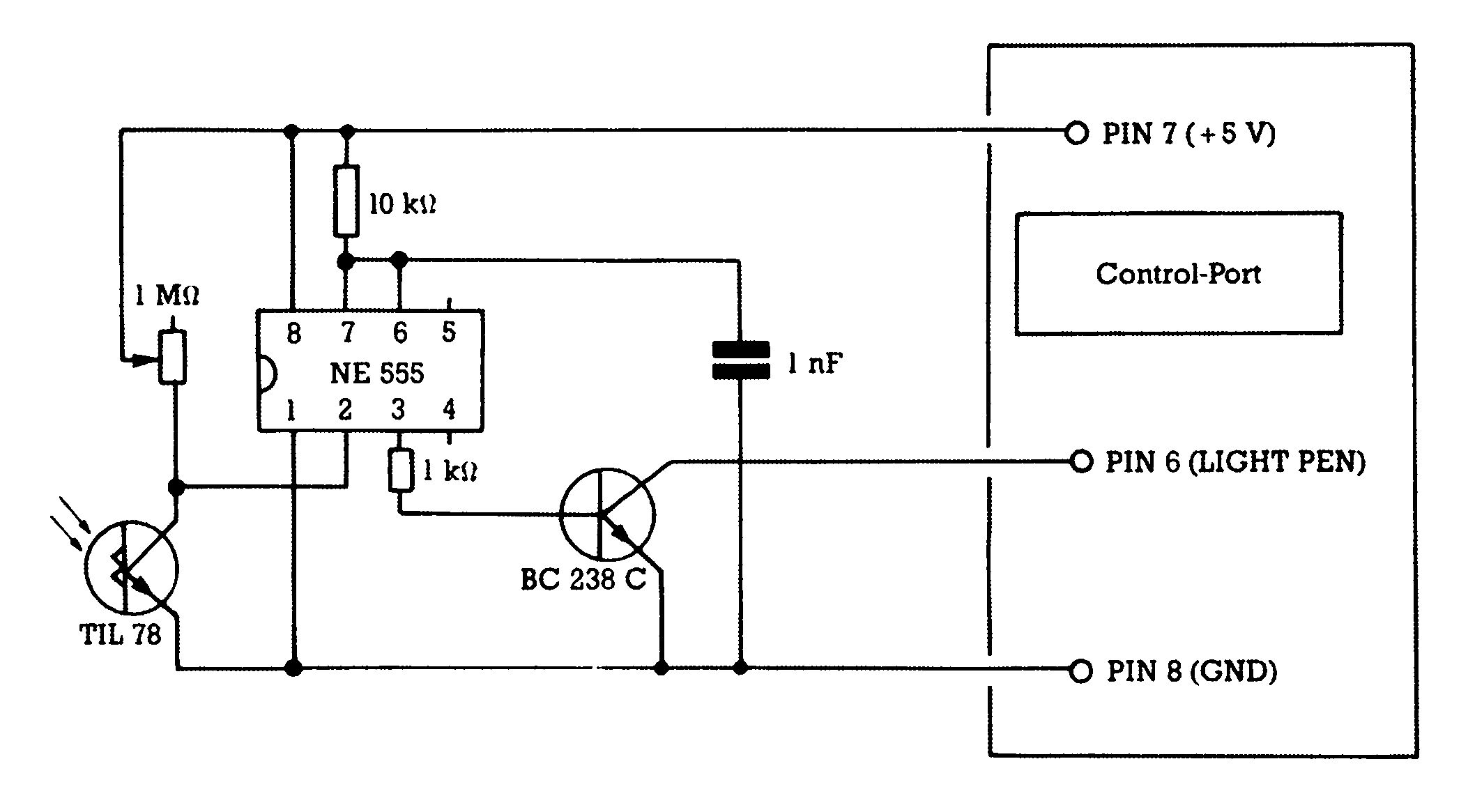
C 64 Extern – Der Weg nach draußen (Teil 2)
In diesem Teil des Kurses werden wir uns mit dem Control-Port 1 beschäftigen. Er eignet sich nicht nur zum Anschluß eines Joysticks. Was man noch alles mit ihm machen kann, wollen wir am Beispiel eines Lichtgriffels im Selbstbau zeigen.
Kurse
9/85 S. 122-124

Hardcopy für Ihren Drucker
… oder: von den Problemen, den Bildschirminhalt auf Papier zu bringen — und natürlich von den Lösungen dieser Probleme!
Grundlagen
Sonderheft 4/85 S. 115-122

Logeleien (Teil 3; Schluß)
Diese letze Folge der Logeleien wird zum krönenden Abschluß unseren Commodore 64 als »Schlußfolgerungs-Maschine« vorstellen und den Zusammenhang mit der sogenannten Künstlichen Intelligenz beleuchten.
Kurse
9/85 S. 115-118

Sprites ohne Streß
Es soll immer noch Leute geben, die sich nicht an die Programmierung von Sprites herantrauen, weil sie von den recht unverständlichen Ausführungen im Commodore-Handbuch ziemlich verunsichert sind. Deswegen wollen wir hier die Grundlagen der Sprites darstellen.
Grundlagen
Sonderheft 4/85 S. 112-114
Memory Map mit Wandervorschlägen (Teil 10)
Diesmal geht es weiter mit den Speicherzellen 158 bis 182. Behandelt werden dabei die interne Uhr, Kassettenoperationen und die RS232-Schnittstelle.
Kurse
9/85 S. 112-115

Assembler ist keine Alchimie (Teil 12)
Wie macht man Programme Reset-fest? Außerdem schauen wir dem »Rasterzeilen-Interrupt« etwas genauer auf die Finger und entwickeln ein Programm dazu.
Kurse
9/85 S. 109-111,131

Soft-Scrolling auf dem C 64
Soft-Scrolling in eigene Programme einzubauen, kann oft zum Problem werden. Wie es gemacht wird, zeigt Ihnen dieser Beitrag.
Grundlagen
Sonderheft 4/85 S. 110-111

Streifzüge durch die Grafikwelt (Teil 1)
Grafik ist für viele Computer-Freunde ein wahres Zauberwort und ein fast unerschöpfliches Thema. Wir stellen Ihnen ein Grafiksystem vor, mit dem Sie in Zukunft alle Programme des Kurses mit den verschiedensten Grafik-Hilfen verwenden können.
Kurse
9/85 S. 106-108

Räumliche Grafik auf dem C 64
Gerade auf dem Gebiet von Film- und Fernsehproduktionen werden Computergrafiken immer öfter eingesetzt, da es hiermit möglich ist, Dinge zu zeigen, die mit herkömmlichen Methoden nicht gefilmt werden konnten.
Grafik
Sonderheft 4/85 S. 96-108

Befehlssatz des 6502/6510-Prozessors
Mit dem 64’er Extra stellen wir Ihnen einen neuen Service der 64’er-Redaktion vor: Zwei Extra-Seiten zum Heraustrennen und Sammeln in jeder Ausgabe. Um Mißverständnissen vorzubeugen: Das 64’er-Extra ist kein Kurs und kein Computer-Lehrgang, sondern ein Nachschlagewerk für all diejenigen, die ihren C 64 selbst programmieren....
64'er extra|Die unentbehrliche Hilfe für Programmierer
9/85 S. 83-85
Neueste Listings
- Tips & Tricks zum SMON (inkl. Diskmonitor)
- Tipp-Utility
- Der Eprom-Automat (wie man Module macht)
- Seekrieg per Telefon (Schiffe versenken per Modem)
- 80-Zeichen-Grafik für den C 128
- Hyper-Screen (Sprites auf dem Bildschirmrand)
- Der Chemie-Assistent (AdM)
- SMU – Der Maskengenerator (LdM)
- Herzoperation (Hypra Load+Hypra-Ass+Dos5.1+Centronics)
- Reassembler zu Hypra-Ass
- Spieletrainer: Spritekill
- Block Out
- Bilder aus einer anderen Dimension (Apfelmännchen)
- Lyrik-Maschine (AdM)
- Hypra-Platos (LdM)
- Doppelte Grafikauflösungfür C 128
- Neues vom SMON
- Programmgenerator für den C 64
- Cross-Ref optimiert
- Pac-Man unter der Lupe